Ficha técnica
El Minutero de escalera THEBEN ELPA87 es un minutero de escalera electromecánica que se utiliza para el control de tiempo y de la iluminación en escaleras.
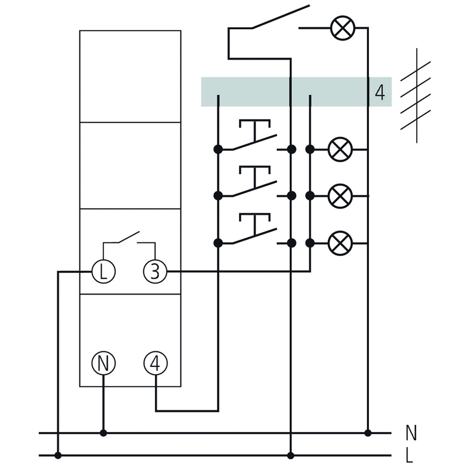
- Tiene 4 cables con conexión para la iluminación básica
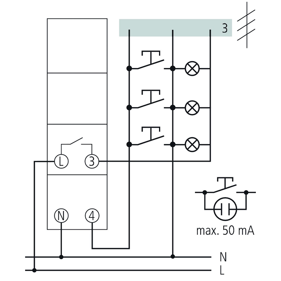
- Conexión de 3 cables sin iluminación básica (ya no se permite en instalaciones nuevas).
- Es reconectable y no consume corriente en reposo
- Interruptor basculante para iluminación constante
- Elevada fiabilidad mediante accionamiento de motor sincrónico
- Sencilla regulación del tiempo y lectura directa del tiempo de retardo en una escala absoluta
- Mecánica de precisión que permite ajustar un tiempo de conexión exacto
- Muy elevada inmunidad a las interferencias









Valoraciones
No hay valoraciones aún.